
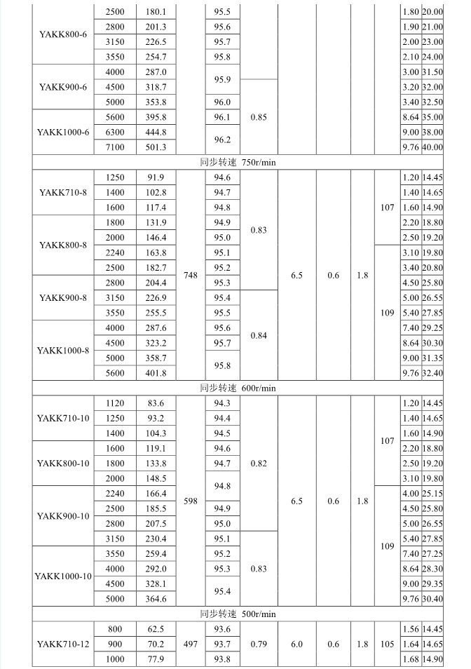
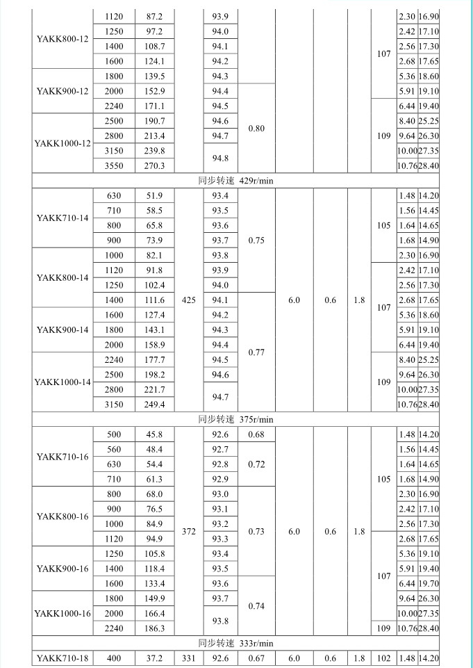
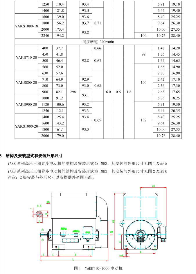
1. 概述 YAKK、YAKS 系列高壓增安型三相異步電動機(機座號710~1000)是我公司在引進吸收德國西門子高壓電動機制造技術的基礎上,結合我公司長期穩定生產高壓三相異步電動機的設計制造經驗而開發的系列產品。該系列電動機采用九十年代新技術、新材料、新工藝,選材考究、制造精良、具有體積小、重量輕、功率大、效率高、噪聲低、振動小、運行安全可靠、使用維護方便等特點。 該系列電動機符合我國國家標準GB755《旋轉電機 定額和性能》、行業標準GB/T13957《大型三相異步電動機基本系列技術條件》和IEC 國際標準,其防爆性能符合GB3836.1《爆炸性氣體環境用電氣設備第1部分:通用要求》和GB3836.3《爆炸性氣體環境用電氣設備第3 部分:增安型“e”》的規定。 各部分機械尺寸和公差符合相應的國家標準和國際標準 該系列電動機的外殼防護等級為IP44、IP54 和 IP55,冷卻方式有IC611 和 IC81W,安裝方式為IMB3,也可根據用戶要求制成不同的防護類型、冷卻方式、安裝方式。 額定電壓:6000V、10000V 功率范圍:315~10000kW 同步轉速:3000、1500、1000、750、600、500、429、375、333、300r/min 軸中心高:710、800、900、1000mm 防爆標志:ExeIIT1、ExeIIT2、ExeIIT3 在此基礎上派生有戶外(W)、濕熱帶(TH)、戶外濕熱帶(THW)、戶內防中等腐蝕型(F1)、戶內防強腐蝕型(F2)、戶外防中等腐蝕型(WF1)、戶外防強腐蝕型(WF2),派生的三相異步電動機的性能指標、安裝外形尺寸與基本系列的相同。  3. 結構說明 該系列電動機采用國際流行的箱式結構,機座、端蓋等部件用鋼板焊成,軸承采用端蓋式球面滑動軸承,具有負荷能力強,檢修及裝配方便等優點。電動機重量輕、剛度好。卸下冷卻器,可觀察或接觸電動機內部,安裝和維修方便。 定子采用F 級絕緣,定子線圈采用雙玻璃絲包薄膜帶繞包銅扁線繞制,經繞包主絕緣并VPI 整體浸漆后具有較高的電氣強度、機械強度、絕緣性能、防潮性和熱穩定性。 轉子采用銅條結構,導條和端環之間采用可靠的焊接工藝,并采取了防止導條斷裂的可靠措施,經高精度校驗平衡,電動機運轉平穩,振動小。 高壓接線盒為密封結構,接線空腔大,留有電纜接頭位置。接線盒在電動機右側(軸伸端視之)。當電動機功率為2000kW 及以上時,在電動機主接線盒的另一側設置副接線盒,用于電動機定子三相繞組的中性點連接以及電動機的差動保護。根據用戶的需要,電動機可安裝軸承測溫儀表,監測軸承溫度;也可根據用戶需要設置定子繞組測溫和防冷凝加熱裝置。 4. 使用條件 額定電壓: 6kV 或 10kV 額定頻率: 50Hz 環境空氣溫度: -5℃~+40℃ 海拔高度: 不超過 1000mm 工作制: 連續工作制 S1 環境條件: 戶內、戶外(W)、濕熱帶(TH)、戶外濕熱帶(THW)、戶內防中等腐蝕型(F1)、戶內防強腐蝕型(F2)、戶外防中等腐蝕型(WF1)、戶外防強腐蝕型(WF2) 運行地點最濕月月平均最高相對濕為90%,同時該月月平均最低溫度不高于25℃該系列電動機可用于驅動各種通用機械:如壓縮機、水泵、風機以及其它機械設備,在礦山、機械工業、石油化工工業、發電廠等工礦企業具有爆炸性氣體環境的場所中作為原動機使用。














|